EsRealS aspira a borrar la idea del campo como un sitio sacrificado, sin vacaciones y con grandes exigencias físicas. ¿Te apuntas?
Los promotores
Nuestros Servicios

Proyectos

Sistemas

Instalaciones

Formación y consultoría
-
¿Cómo trabajamos?
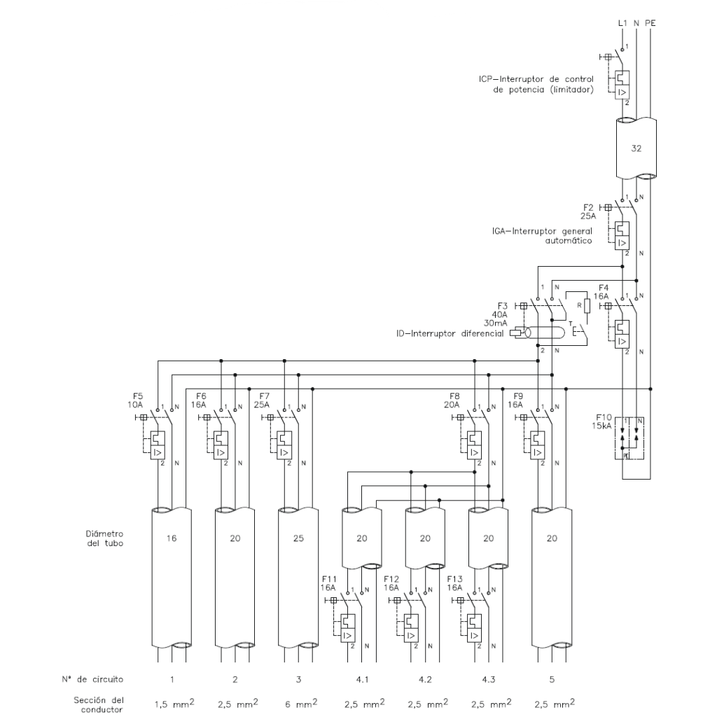
Vale, esta entrada va a ser un poco pesada, pero te ayudará a entender como funcionamos con la ingeniería de sistemas: Lo primero es que tengas claro cuáles son tus requerimientos de cliente. Estos los tienes que pensar alrededor de tu problema y no cómo se resuelve. Un ejemplo sería «Quiero llegar a mi finca…
-
¡Hola!
EsReal aspira a borrar la idea del campo como un sitio sacrificado, sin vacaciones y con grandes exigencias físicas. ¿Te apuntas? Tradicionalmente el campo ha supuesto trabajo físico esforzado y permanente a lo largo del año. Sin embargo, las nuevas tecnologías nos pueden ayudar a cambiar esta realidad. Veamos algunas de ellas y cómo usarlas:…
Dónde encontrarnos
Nos encontramos en el Parque Natural de la Sierra Morena de Sevilla. Nos esforzamos por ofrecer soluciones innovadoras que produzcan el mínimo impacto en el medio ambiente.
Dirección:
Avenida de Andalucía 7, Junto a la oficina de turismo del Ayuntamiento de El Real de la Jara.
41250 El Real de la Jara
Sevilla
Email:
